What's the difference between 110V and 240V power tools?
Where is 110V used?
In the UK, the law states that you must take effective precautions against the risk of death and injury from electricity during construction. Whilst this doesn't explicitly say you can't use 240V tools with an RCD breaker instead, it is not recommended.
Why is 110V safer?
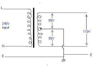
110V is safer due to the safety features built into the transformers. 110V transformers are also known as CTE transformers, this means centre tapped to earth. What this means essentially is that the coil inside the transformer is split into two halves, both with 55V across them. These two waves are then combined on the output to create 110V.
What this does essentially is lower the risk of a fatal shock as 55V is less likely to kill you than a full 110V or 240V shock. This can be seen in the diagram below.
The 240V supplied from the mains can be seen on the left as the input, this is stepped down over the coils as can be seen in the middle of the diagram. The centre of the coil on the output side is connected to earth (Hence the name "Centre tapped to earth). This means the 110V voltage is split into two halves, and instead of having a live and a neutral line, there are two live lines combining to make 110V on the output.

How do I use a 110V power tool?
When you hire a 110V power tool with us, we can also supply power leads and transformers as optional extras should you require them. Their operation is fairly simple, plug the 110V transformer into your 240V mains supply and plug your tool into the transformer via the power cable. You're then ready to use your tool!